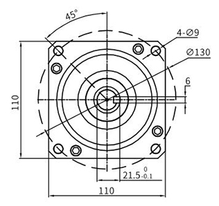
| 電機型號 | L(mm) | 電機型號 | L(mm) |
| 110ST-□020XX | 164.5 | 110ST-□020XXB | 217 |
| 110ST-□040XX | 189 | 110ST-□040XXB | 241.5 |
| 110ST-□060XX | 219 | 110ST-口060XXB | 271.5 |
| 110ST-口090XX | 249 | 110ST-O 090XXB | 301.5 |
注:電機接口、電壓、轉速可按客戶要求定制


| 代號說明 | ||
| ① | 機座號、電機外徑 | 單位:mm |
| ② | 伺服電機形式 | ST表示電機為正弦波驅動的永磁同步電機 |
| ③ | 反饋元件規格 | M表示增量型編碼器(2500C/T),J表示絕對值型高精度編碼器,X表示1對極旋轉變壓器 |
| ④ | 額定轉矩 | 表示電機額定轉矩,其值為三位X0.1單位Nm |
| ⑤ | 額定轉速 | 表示電機額定轉速,其值為兩位X100單位rpm |
| ⑥ | 失電制動器代號 | F表示電機結構為防水型(玻璃機械專用),缺省表示普通型 B表示帶失電制動器,缺省表示不帶失電制動器 Y表示接線型,缺省表示普通型 |
| ⑦ | 電壓等級 | 表示電機額定電壓,包括DC24V、DC48V、DC72V、DC96V、AC380V,缺省表示AC220V |
| ⑧ | 定制特征 | 客戶定制代號 |
服務熱線
微信掃一掃